Toyota Yaris Electrical Wiring Diagram. yaris toyota manual partmanual yaris toyota diagrams

Toyota Yaris [2006] Electrical Wiring Diagram
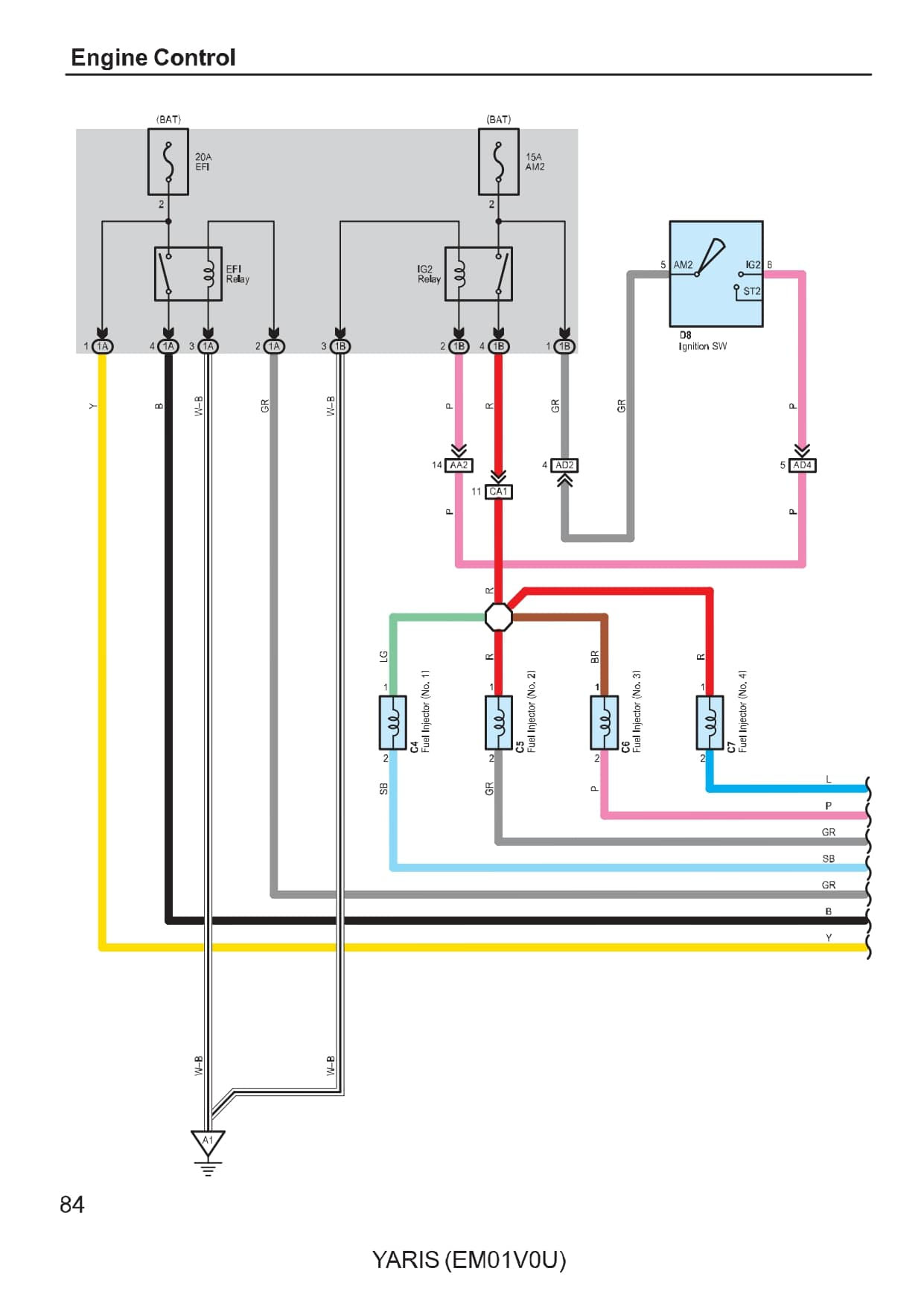
Toyota Yaris [2006] Electrical Wiring Diagram from autoepcservice.com

yaris toyota diagrams yaris verso manual threads wiring yaris landcruiser hj60 library

Toyota Yaris [2006] Electrical Wiring Diagram

yaris wiring electrical yaris verso autorepairmanuals mgf schaltbilder lr3 rover partmanual yaris wiring yaris verso 1999 electrical

All Wiring Diagrams for Toyota Yaris 2009 model Wiring diagrams for cars

yaris verso autorepairmanuals mgf schaltbilder lr3 rover partmanual yaris innova autorepairmanuals

Toyota Yaris Verso [199901] Repair Manual & Electrical Wiring Diagram

wiring yaris gisc autorepairmanuals gsic yaris wiring

Toyota Yaris Ecu Wiring Diagram

hilux diagrama yaris cableado electrico scion xa manualslib 4runner circuit rx 400h ecu yaris verso manual threads