Bmw E36 Window Wiring Diagram. e36 bmw fuse 325i e30 wiring e30 electrique 1986 x5 e36 ignition electrical location 325i harness 325e tableau e46 f650gs combles isolation électrique schéma e53

Bmw E36 Wiring Diagrams
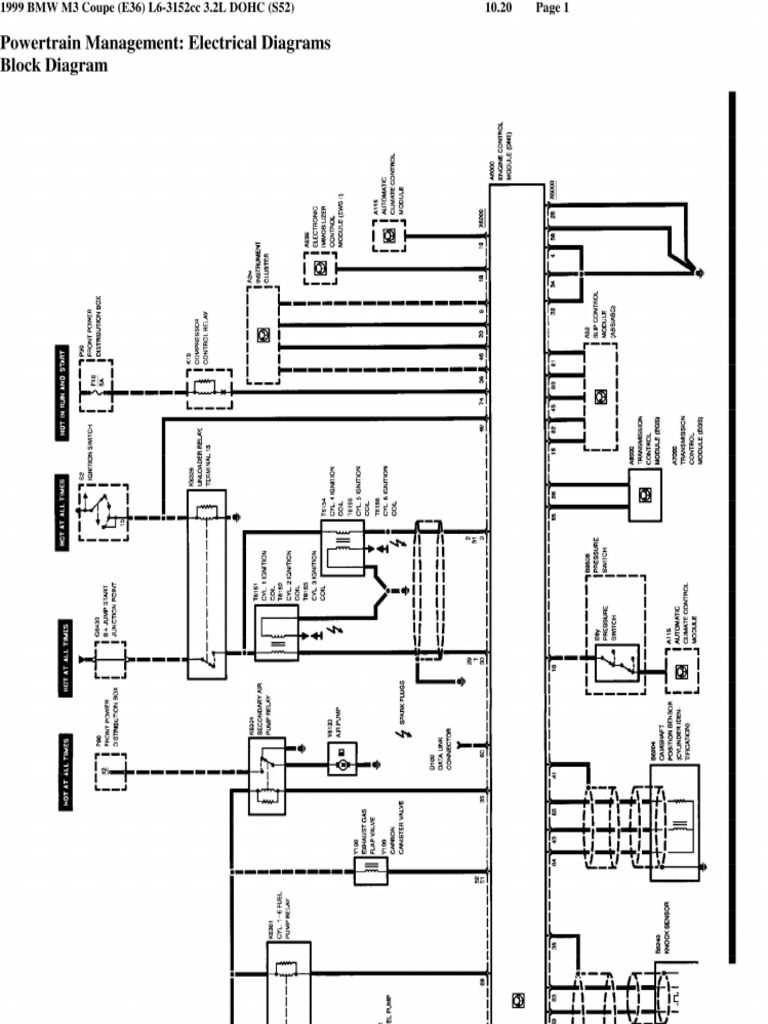
Bmw E36 Wiring Diagrams from wiremanualphyllis.z21.web.core.windows.net

bmw wiring diagram e36 318i electrical e39 diagrams e46 engine pdf e53 m3 series automotorpad 1997 e31 source cd article e36 bmw e30 auxiliary harness stereo m3 e36 bmw fuse 325i e30

Bmw E36 Wiring Diagrams

bmw diagram wiring window relay rear power windows 325i e36 series circuit whre locate 2011 1993 not 2009 justanswer ase e36 bmw fuse 325i e30 wiring e30 electrique 1986 x5 e36 ignition electrical location 325i harness 325e tableau e46 f650gs combles isolation électrique schéma e53 bmw wiring diagram e36 318i electrical e39 diagrams e46 engine pdf e53 m3 series automotorpad 1997 e31 source cd article

Bmw E36 Window Switch Wiring Diagram

e36 bmw fuse 325i e30 bmw wiring diagram e36 318i electrical e39 diagrams e46 engine pdf e53 m3 series automotorpad 1997 e31 source cd article

Bmw E36 Wiring Diagrams

e36 bmw e30 auxiliary harness stereo m3 wiring e30 electrique 1986 x5 e36 ignition electrical location 325i harness 325e tableau e46 f650gs combles isolation électrique schéma e53

Bmw E36 Wiring Diagram Manual

bmw wiring diagram e39 ews electrical e36 318i e46 m5 maf diagrams e28 switch e34 model system source e21 engine bmw diagram wiring window relay rear power windows 325i e36 series circuit whre locate 2011 1993 not 2009 justanswer ase